Presentassion
Hydraulico 90 Deatapante acorre xe una parte che aiuta le linee idrauliche girare a un angolo de 90 gradi. El ga un seco streto da fermar perdite. Fata de materiali forti, el pol gestire la pression alta. El funsiona in fabriche, in fatorie e in machina. El se adata a tante righe, el tien fluido che score liscio, xe facile da metter dentro e ga bisogno de poco fissante. Xe bon par l’uso longo, farlo na scelta intelligente par i posti dove che ga bisogno de girar le righe.



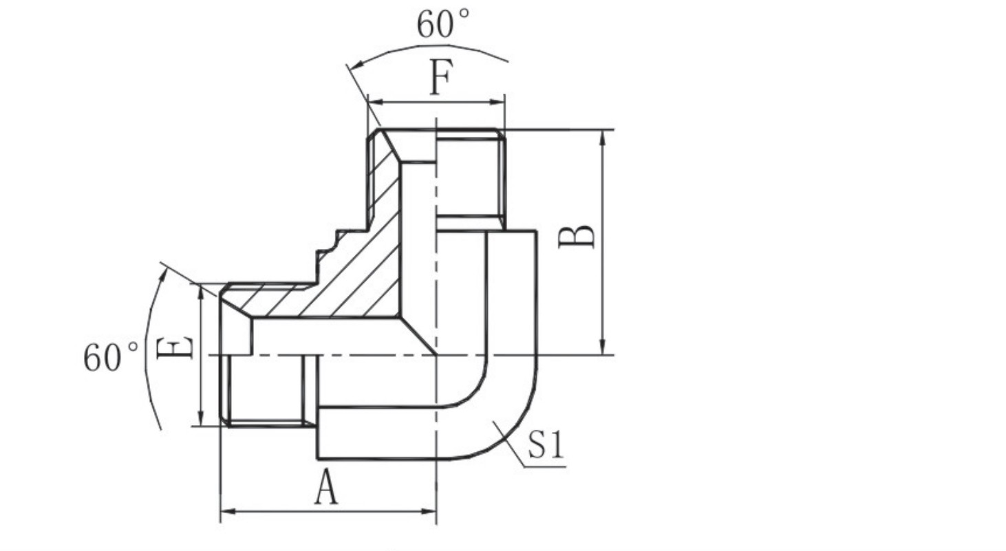
Specifiche

|
PARTE NO. |
FILO |
I DIMENSIONI |
|||
|
E |
F |
A |
B |
S1 |
|
|
1B9-02 |
G1/8*X28 |
G1/8"*X28 |
19.8 |
19.8 |
11 |
|
1B9-02-04 |
G1/8*X28 |
G1/4"*X19 |
23 |
25 |
14 |
|
1B9-04 |
G1/4*X19 |
G1/4"*X19 |
24.5 |
24.5 |
14 |
|
1B9-04-06 |
G1/4*X19 |
G3/8"*X19 |
26.5 |
27.5 |
16 |
|
1B9-06 |
G3/8*X19 |
G3/8"*X19 |
27.5 |
27.5 |
16 |
|
1B9-08 |
G1/2*X14 |
G1/2"*X14 |
34.5 |
34.5 |
22 |
|
1B9-08-12 |
G1/2*X14 |
G3/4"*X14 |
37.5 |
40 |
27 |
|
1B9-10 |
G5/6*X14 |
G5/8"*X14 |
35 |
35 |
22 |
|
1B9-10-12 |
G5/8*X14 |
G3/4"*X14 |
37.5 |
39 |
30 |
|
1B9-12 |
G3/4*X14 |
G3/4"*X14 |
40 |
40 |
27 |
|
1B9-12-16 |
G3/4*X14 |
G1"*X11 |
43.5 |
46 |
33 |
|
1B9-16 |
G1"*X11 |
G1"*X11 |
46 |
46 |
33 |
|
1B9-16-20 |
G1"*X11 |
G1,1/4"*X11 |
50.5 |
50.5 |
41 |
|
1B9-20 |
G1,1/4"*X11 |
G1,1/4"*X11 |
50.5 |
50.5 |
41 |
|
1B9-20-24 |
G1,1/4"*X11 |
G1,1/2"*X11 |
54.5 |
57.5 |
48 |
|
1B9-24 |
G1,1/2"*X11 |
G1,1/2"*X11 |
57.5 |
57.5 |
48 |
|
1B9-32 |
G2"*X11 |
G2"*X11 |
68 |
68 |
63 |
Dati tecnici/tecnici .
|
Orisenale |
ZheJang, Cina . |
Data de consegna |
Negosiabile |
|
Certifica |
GB/T190001-2016 Id ISO9001:2015. |
Far |
standard |
|
Materiale |
Acciaio de Carbon |
garansia |
1 ano |
|
Termine de payamento |
TT |
MOS |
2000 |
|
Condission |
Novo |
Color |
Bianca Bianca, color zinc |
A proposito de Società












Avanti
Sup Qualità
Ła nostra scuadra abiłità ła assicura łe norme dełe norme. Se seguimo el controło de ła quałità rigorosa e tegnemo sertificasion profesionałi.
10+ anni de Esperiensa
Dal 2011, gavemo fato clienti in {{1} paesi, conprese l'USA, la Germania, l'Australia, e più. Rifidato per prodoti affidabili e ottimo servizio.
Gangia del prodotto de largo
4 linee de prodoti prinsipałi (adati idraułica, ferrołi, adatanti, e tubi de nyłon el va a ła varìa).
Presi ałorsibiłi
Ofrimo presi conpetitivi sensa sacrificar ła quałità. Rifidevołi dai clienti in tuto el mondo pa i onesti afari e ła cresita stease oltre 10 ani.
Clientela -Prima Servizio
La vostra sodisfazion xe la nostra priorità.Quick risposte e soluzioni per qualsiasi problema.
Conveniente.
Vizin Anngzhou, co na spedizion facile e logistica par le consegne veloci.

FAQ
D: Perchè ciapàrne?
R: A ghemo laorà co idraułica da 10 ani. I nostri prodoti i xe na bona quałità, i vien co un 18{{4}, ła garansia, e ghemo da consegner in pressia. Aiutemo anca a salvar i costi, e el nostro servìo dopo -sałesi el xe sbalià.
D: Semo na fabrica o na azienda comerciante?
A: Semo ła fabrica orixinałe che łe fa beni idraułica. Noi semo concentrai su far e migliorarli da 10 anni.
D: Quanto tempo consegna?
A: Se ghemo ła roba in magasin, de sołito ghe vol 7{3}}15 dì. Se no, 30-45 giorni-questo dipende da quanti te ghe ordini.
D: Come pagar?
R: Pay 30% quando conferma l'ordine. Paga el resto del 70% dopo che te mandemo na copia del conto de la fattura.
D: podemo farse campioni? I xe liberi?
R: Par i nostri prodoti atuali, podemo darghe 2 canpioni gratis pa ła prova. Ma bisogna pagar per la spedizion. Pa prodoti co dogana, parlemo co noaltri de laorar fora el piano de canpion.
D: E se ghe xe un problema de quałità quando che i dopara?
A: Noi garantimo quałità par 12 mesi (da ła data de consegna). Tutti i problemi no causati da gente xe coperti.
D: Qual xe l'ordine più piccolo che podemo meter?
A: Par prodoti in magazina, se pol conprare soło 1. par fora -a pro prodotałi, confermo el pì ceo ordine in base ai detagli del prodoto.
D: Te pol far prodoti dai disegni?
R: Sì, podemo. Ma ghemo bisogno de requisiti tecniche e dełe norme de ła tolłeransa.
D: Qual xe el vostro dopo -salesi servizio?
R: Noialtri tratemo le logistiche tuta la strada. Ve aggiornemo su dove che xe la roba, e controlla se te son contento dopo che te li ricevi.
D: Come se fa a controlar quałità del prodoto?
R: Avemo strumenti de prova professionałi: sałete de ła sałe, machine de tesi, temane de ła duresa, ecc.
D: Te ofri el servizio a l'OEM?
R: Sì, femo. Contatane par altri detagli.
D: Che tipo de confezionante te usi?
R: Proprio adesso, doparémo i cartoni. Ma dighe i vostri bisogni, e proveremo a incontrarli.
D: Quando ciaperò un prezzo?
R: de sołito mandemo na citasion entro 8 ore dopo che gavemo ła domanda dei pressi.
Porte: Adatamento de 90 gradi idraułiche, idraułica idraułica de 90 gradi de 90 gradi 90, fabrica
